高性能水泥复合砂浆钢筋网薄层(HPFL)加固 砖砌体抗压强度试验研究
浏览量:685 发布时间:2023.03.13高性能水泥复合砂浆钢筋网薄层(HPFL)加固
砖砌体抗压强度试验研究
(转载)
尚守平,姜巍,刘一斌,徐梅芳
(湖南大学土木工程学院,湖南长沙410082 )
【摘要】为了了解高性能水泥复合砂浆钢筋网薄层(HPFL)加固砖墙的受力机理、承载力提高程度和破坏形态,制作了4组HPFL加固的普通砖砌体抗压试件及1组对比试件,采用分级加载的方法进行抗压强度试验研究,比较分析了不同加固面数和砂浆面层厚度等参数对加固砖墙的承载力、延性和破坏形态的影响。实验研究结果表明:原砖墙与加固面层能较好的协同工作,HPFL能显著地提高砖墙的抗压承载力,砖墙延性得到改善。HPFL加固砌体是一种有效的加固方法,为工程加固设计时提供参考。
【关键词】高性能复合砂浆、抗压强度、加固、砖砌体
高性能水泥复合砂浆钢筋网薄层加固砌体结构是―种新型的加固方式,是对传统的钢丝网普通砂浆面层加固技术的改进。钢筋网水泥复合砂浆是以钢筋网为增强材料,水泥砂浆为基材组成的薄层结构。作为一种无机复合材料加固方法,具有施工简单、施工质量容易保证、经济效益好等优点,并具有良好的耐火性和耐久性,可节省大笔维修费用,并且对内部砌体结构具有保护作用,达到加固和修补的双重作用,是一种有效的可以广泛应用于砌体结构的加固方法。目前,湖南大学对钢筋网水泥复合砂浆加固混凝土构件进行了大量实验研究,并取得一定的成果,但以此加固砌体构件的实验研究数据还很缺乏。为此,本文对高性能水泥复合砂浆钢筋网薄层加固普通粘土砖墙后的承载力、延性、裂缝及破坏特征等方面进行了研究与分析。在实验基础上分析了各参数对高性能水泥复合砂浆钢筋网薄层(HPFL)加固砖砌体抗压试件承载力和变形的影响。
1实验设计
1.1试件设计与制作
基本砖砌体抗压试件截面尺寸为240 mm×370 mm,高为720 mm,高厚比为3,采用MU10普通粘土砖、M5.0混合砂浆制作。考虑不同加固形式等影响因素,共制作5组15个试件(每组3个),其中包括1组对比试件,加固形式分为单面加固和双面加固,高性能复合砂浆面层厚度有25mm和35mm两种,砂浆抗压强度为4OMPa,试件设计见表1。

1.A为砂浆面层厚度为25 mm的单面加固;B为砂浆面层厚度为35 mm的单面加固;C为砂浆面层厚度为25 mm的双面加固;D为砂浆面层厚度为35 mm的双面加固。
试验中选用了直径Φ4冷轧带肋钢筋,平均极限抗拉强度为640 MPa,水平和纵向间距均为240 mm的钢筋网作为复合砂浆的增强材料。基本试件与加固面层砂浆之间界面上涂刷一遍由水泥基复合的无机界面剂。复合砂浆和界面剂的组成及配比:①水泥复合砂浆(425#普通水泥∶砂:外加剂:水),具体配比为1.00:1.50:0.16:0.44;②AB组份界面剂(A组份:B组份:水),具体配比为1:33.3:9.0。
其中砂浆外加剂为聚丙烯纤维、钙矾石型膨胀剂、硅灰及粉煤灰等超细掺合料组成的粉剂,界面剂的A组分为树脂系列减水剂,B组分为水泥基复合的含18%的硅灰、粉煤灰等超细掺合料组成的无机界面粉剂。
加固方法:砖墙湿水、砖墙加固面打磨平整、植剪切销钉、涂刷界面剂、绑扎钢筋网、分层抹压高性能砂浆、面层抹光、湿水养护。试件如图1所示。

1.2加载制度及测试内容
本实验是在湖南大学结构实验室1000kN反力架上进行,加载装置见图2所示,试件均为轴心受压。对比试件及加固试件均采用1000kN油压千斤顶分级加载直至破坏。
对试件施加预估破坏荷载的5%,检查仪表的灵敏性和安装的牢固性。实验采用分级施加荷载的方法,每级荷载为20kN,并在 1~1.5min内均匀加完,每级加载完后,恒压1~1.5min,然后施加下一级荷载。加荷至预估破坏荷载的80%后,连续加载直至试件破坏。
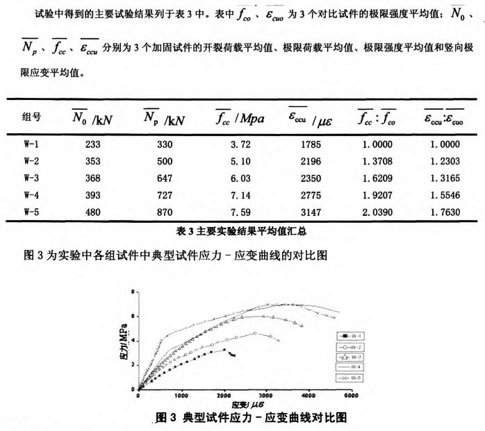
本次抗压强度试验测试试件的开裂荷载和极限荷载,用百分表量测试件竖向变形,得到相应应力–应变曲线,并观察试件的破坏过程及最后的破坏形态,对比各参数对试件抗压加固的效果。
1.2加载制度及测试内容
本实验是在湖南大学结构实验室1000kN反力架上进行,加载装置见图2所示,试件均为轴心受压。对比试件及加固试件均采用1000kN油压千斤顶分级加载直至破坏。
对试件施加预估破坏荷载的5%,检查仪表的灵敏性和安装的牢固性。实验采用分级施加荷载的方法,每级荷载为20kN,并在 1~1.5min内均匀加完,每级加载完后,恒压1~1.5min,然后施加下一级荷载。加荷至预估破坏荷载的80%后,连续加载直至试件破坏。
本次抗压强度试验测试试件的开裂荷载和极限荷载,用百分表量测试件竖向变形,得到相应应力–应变曲线,并观察试件的破坏过程及最后的破坏形态,对比各参数对试件抗压加固的效果。

2.1试件受压破坏过程
对比试件当加载至极限荷载的65%~77%时,首先在砖墙宽面中上部出现初始纵向裂缝,此时不增加荷载,裂缝不会扩大;随着荷载的加大,裂缝沿纵向不断发展,穿过若干皮砖,同时宽面出现多条纵向裂缝,窄面也出现纵向裂缝并逐渐贯通;当荷载达到极限荷载的80%~90%后,裂缝很快加长加宽,部分砖表面脱落,当裂缝贯通,荷载达到极限,试件破坏并完全丧失承载力。典型试件破坏形态如图4所示。

单面加固试件在加载到极限荷载的65%~72%时,在试件窄面顶部首先出现竖向裂缝,随着荷载的增大,窄面两侧的竖向裂缝不断加长、变宽,贯通几皮砖,未加固宽面及两侧窄面顶部出现多条纵向细裂缝;加载到极限荷载的90%左右,加固面层与砖墙界面出现界面裂缝,开始剥落,窄面竖向裂缝不断发展,几乎贯通全试件;加载到极限荷载,未加固面砖被压碎,往往随着“嘲”的一声,加固面层受弯突然出现水平裂缝,试件很快丧失承载能力而破坏。典型试件破坏形式如图5所示。

双面加固试件初始裂缝出现在加载到极限荷载的53%~69%时,首先在试件窄面出现竖向裂缝,随着荷载的增加,试件窄面的第一条裂缝不断加长、加宽,贯通几皮砖,同时在窄面陆续出现较多细徼裂缝,砌体表面出现局部鼓胀,继续加载时,原鼓起处砖块开始脱落,加固面层未见有裂缝出现;当加载至极限荷载的90%,砖试件窄面主裂缝几乎贯通试件,加固面层与砖墙出现界面裂缝,开始剥离;加载到极限荷载,加固面层剥离,试件很快丧失承载力而破坏。典型试件破坏如图6.

2.2实验结果对比分析
由以上实验结果可以看出:
(1)加固面层除参与承担竖向荷载外,加固面层对被加固砖墙有较强的约束作用,被加固砖墙的开裂荷载相应提高,25mm单面加固提高约52%,35mm单面加固提高约57%,25mm双面加固提高约68%,35mm双面加固提高约106%。被加固砖墙的极限承载力也得到显著提高,25mm单面加固提高约37%,35mm单面加固提高约62%,25mm双面加固提高约92%,35mm双面加固提高约103%。
(2)加固砖墙的竖向极限应变得到提高,单面加固提高幅度为23%~31%,双面加固提高幅度为55%~76%,提高了砖墙的延性。
(3)与未加固砖墙相比,试件出现初始裂缝以前,加固砖墙的刚度得到明显提高。
(4)加固面层与原砖墙变形不一致,加固面层的砂浆和钢筋网的极限压应变大于砖墙,当竖向荷载达到极限荷载的90%以上,加固面层作为一个整体才与原砖墙剥离,最后砖墙压碎破坏。对于整个加固砖墙,加固面层没有纵向受力裂缝,加固层与原砖墙保持协同工作,体现了高性能复合砂浆具有较强粘结力。
(5)从裂缝发展形态来看,对比砖墙的裂缝首先出现在墙体宽面,裂缝发展到一定程度,两窄面才出现裂缝。单面加固墙体(不考虑局压影响)首先是两窄面出现裂缝,裂缝发展到一定程度,砖墙宽面才出现受力竖向裂缝,加固面层几乎没有纵向受力裂缝。双面加固墙体(不考虑局压影响)首先也是在两窄面出现裂缝,而加固面层几乎不出现纵向受力裂缝。可见,高性能水泥复合砂浆钢筋网薄层能有效的约束砖墙裂缝的产生和发展。
2.3不同加固形式对极限抗压强度、竖向极限应变的影响
HPFL加固砖砌体墙不同加固形式对承载力、竖向极限应变的影响分别如图7和图8所示。此处加固形式定义为:25mm双面加固时为1.0;25mm单面加固时为0.5;35mm单面加固时为0.7;35mm双面加固时为1.4。

由图7分析可以看出:
(1)HPFL双面加固比单面加固更能改善砖墙的延性,加固砖墙的竖向极限应变大大提高。主要是因为HPFL双面加固能更有效的约束砖砌体的横向变形,显著改善了砖墙的裂缝形态,对裂缝的发展有较明显的抑制作用,使砖墙纵向塑性变形性能得到充分发挥,改善了构件的延性。
(2)HPFL双面加固砖墙的极限抗压强度和竖向极限应变随砂浆面层厚度的增加而增加,但提高幅度与砂浆面层厚度并不呈线性增长关系。随着面层厚度的增加,极限抗压强度增长速度逐渐减慢。
3结论
(1)高性能水泥复合砂浆钢筋网面层有效的提高了原砖墙的极限抗压承载力,单面加固可以提高37%~62%,双面加固能提高92%~103%。加固面层除参与承担竖向荷载外,加固面层对被加固砖墙有较强的约束作用,被加固砖墙的开裂荷载相应提高,单面加固提高约52%~57%,,双面加固提高约68% ~106%.
(2)加固砖墙的竖向极限应变得到了提高,有效的改善了原砖砌体墙的脆性性质,提高了砖墙的延性。
(3)加固面层与砖砌体墙在达到极限承载力的90%以上时才发生剥离现象,加固面层与原砖墙能较好的协同工作,高性能复合砂浆具有较好的粘结能力。
(4)HPFL加固砖墙的极限抗压强度和竖向极限应变随砂浆面层厚度的增加而增加,但随着面层厚度的增加,极限抗压强度和竖向极限应变增长速度逐渐减慢。
在实际加固工程中,考虑到材料的充分利用和施工因素的影响,HPFL的厚度不宜过大,一般以20 ~~30mm为宜,且应分层抹灰,并注意压实,以免出现分层现象。
